Công nghệ thiết bị nước tinh khiết
-
Tại sao thiết bị xử lý nước thẩm thấu ng
Thiết bị nước tinh khiết Bởi vì chất lượng nước có thể đáp ứ...
-
Thiết bị vớt váng dầu mỡ cho xử lý nước
I. Loại vật liệu màng (màng sợi acetate hoặc màng polyamide)...
-
Thiết bị vớt váng dầu mỡ cho xử lý nước
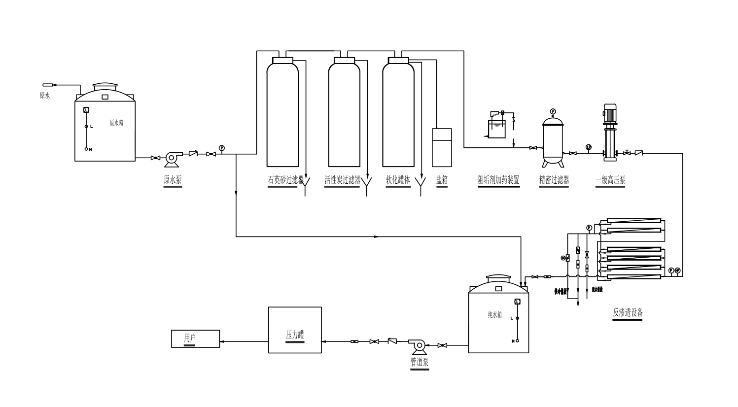
Bể chứa nước thô Bể chứa nước thô được sử dụng để lưu trữ nư...
-
Thiết bị vớt váng dầu mỡ cho xử lý nước
Những năm gần đây, cùng với việc nâng cao mức sống của người...
-
Thiết bị vớt váng dầu mỡ cho xử lý nước
Nước trung bình chủ yếu đề cập đến nước thải đô thị hoặc nướ...
-
Thiết bị vớt váng dầu mỡ cho xử lý nước
Với sự phát triển của khoa học, trong nhiều thập kỷ, thiết b...
-
Thiết bị vớt váng dầu mỡ cho xử lý nước
GMP đặt các yêu cầu về thiết bị nước tinh khiết dược phẩm. N...
-
Thiết bị vớt váng dầu mỡ cho xử lý nước
Trong quá trình sản xuất thiết bị nước siêu tinh khiết điện ...
-
Thiết bị vớt váng dầu mỡ cho xử lý nước
Nguyên tắc của thiết bị nước tinh khiết thẩm thấu ngược là g...
-
Thiết bị vớt váng dầu mỡ cho xử lý nước
Phần tử lọc công nghiệp chủ yếu được áp dụng trên thiết bị c...

简体中文
English
Persian
繁体中文
Albanian
Irish
Arabic